»ï¼º°è±â
ȸ»ç¼Ò°³ Á¦Ç°¼Ò°³ ÀÚ·á½Ç ¿Â¶óÀι®ÀÇ
 
 
 
ÀÛ¼ºÀÏ : 13-12-23 14:04
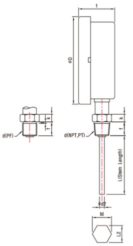
100mm SUS ¿Âµµ°è, LÇüµµ¸é
 ±Û¾´ÀÌ : ÃÖ°í°ü¸®ÀÚ
Á¶È¸ : 7,041  

100mm SUS ¿Âµµ°è, LÇüµµ¸é